EG4 Community Forum

Flexboss 21 dirty s...
 
Notifications
Clear all

Flexboss 21 dirty sine wave

14 Posts
8 Users
1 Reactions
976 Views
(@mrwkbrdr)
Active Member
Joined: 8 months ago
Posts: 5
Topic starter  

Can anyone confirm that their FB21 causes your audio amplifier to hum very load? Makes no such noise when on grid power.

This is typically caused by a not so clean sine wave. Tomorrow I will capture an oscilloscope recording.

just curious if anyone else is experiencing this as well? Or maybe I have a unit that needs to be replaced?

 

thanks,


This topic was modified 8 months ago by mrwkbrdr

   
Quote
Topic Tags
(@mrwkbrdr)
Active Member
Joined: 8 months ago
Posts: 5
Topic starter  

Stumped on this one? FB21 sine wave is cleaner than my grid power, but my audio amplifier makes a loud buzz/hum noise when powered by Flexboss 21?

Anyone have any suggestions?
Prolly not a ground issue based on the sine wave.

IMG 0794
IMG 0793


   
ReplyQuote
(@pawnee)
Estimable Member
Joined: 2 years ago
Posts: 153
 

I deal with this all the time with 3 phase VFD’s and AM radio. A mile away from the VFD the radio has to be shut off. We use line and load reactors to try and smooth the interference out but they don’t do much. I assume your inverter is doing the same thing since they are similar to a vfd. It’s probably coming from the conversion of DC voltage to AC voltage. I know that information doesn’t help your problem but that’s what’s going on. I’m not sure there is a fix but maybe someone else can chime in. 



   
ReplyQuote
(@jordan)
Active Member
Joined: 10 months ago
Posts: 11
 

No buzz for me on any of my audio systems. Your sine wave looks good.  Sounds like you need a ground lift on your amp, or maybe a conditioner.  Some of my previous "separates" systems used to do this type of thing with everything grounded (not power related/prior to going solar). 

I'm using Monster power conditioner on main Sony ES/Klipsch system in the living room that I use most frequently but sun room has no conditioner and no audible noise with the Yamaha receiver.  Basement NAD, Carver and Anthem HIFI systems sound no different to me on inverter verses grid either (these do have conditioners as well).  I consider myself an audiophile and pretty certain I could hear any fidelity differences.  I ran power conditioners on everything even before I went solar just for protection and illimitation of the slight hiss you hear when things go quite at extreme high gains (critical listening) but I bypassed them and ran off battery for a while today to see and not hearing anything on my gridboss/flexboss21 system.  



   
ReplyQuote
(@mrwkbrdr)
Active Member
Joined: 8 months ago
Posts: 5
Topic starter  

Posted by: @jordan

No buzz for me on any of my audio systems. Your sine wave looks good.  Sounds like you need a ground lift on your amp, or maybe a conditioner.  Some of my previous "separates" systems used to do this type of thing with everything grounded (not power related/prior to going solar). 

I'm using Monster power conditioner on main Sony ES/Klipsch system in the living room that I use most frequently but sun room has no conditioner and no audible noise with the Yamaha receiver.  Basement NAD, Carver and Anthem HIFI systems sound no different to me on inverter verses grid either (these do have conditioners as well).  I consider myself an audiophile and pretty certain I could hear any fidelity differences.  I ran power conditioners on everything even before I went solar just for protection and illimitation of the slight hiss you hear when things go quite at extreme high gains (critical listening) but I bypassed them and ran off battery for a while today to see and not hearing anything on my gridboss/flexboss21 system.  

 



   
ReplyQuote
(@mrwkbrdr)
Active Member
Joined: 8 months ago
Posts: 5
Topic starter  

Thanks for your reply. However it’s not a ground issue or some ac filter quick fix. The hum is only heard from the amplifier power transformer. There is zero noise in the speakers. Transformer hums loud as soon as the amplifier is plugged in. I have 3 diff brand amplifiers all 3 have power transformer formers and all 3 hum loud. Zero hum when on grid power.

A 120 to 24v transformer makes zero hum when powered up. 

Im pretty confident I have a defective flex boss, and will be seeking an RMA.

 

THANKS,



   
ReplyQuote
(@jj122)
New Member
Joined: 3 months ago
Posts: 1
 

Did replacing the FB21 fix your issues?  I just found this same thing on mine.  When the FB21 is powering things I get a hum from the receiver but when it's grid only it's silent.  



   
ReplyQuote
 tch
(@tch)
New Member
Joined: 3 months ago
Posts: 2
 

I have the same problem.  My home theatre receiver and subwoofer both have humming transformers (not through the audio signal, but physically).  It has been cloudy lately and when the battery hits the SOC I have set to draw from the grid, the house switches to grid power and charges the battery.  The hum goes away as soon as the grid takes over.

Hopefully EG4 is listening and can come up with some type of fix.

 



   
ReplyQuote
(@spiker6)
New Member
Joined: 2 months ago
Posts: 2
 

I have this problem too, it's because the waveform from the FB21 is DC offset.  In my case it was about +1.5VDC offset.  This causes transformers to be saturated and buzz loudly.  Contacting support yielded no solutions besides the recommendation of using power cleaners to remove DC offset.  Good luck.



   
ReplyQuote
EG4 Eric
(@eg4eric)
EG4 Online Support Admin
Joined: 2 years ago
Posts: 1096
 

@tch
If you provide a video of this happening, I can check with our team for a solution. I can't promise anything, but I can definitely try!



   
ReplyQuote
EG4 Eric
(@eg4eric)
EG4 Online Support Admin
Joined: 2 years ago
Posts: 1096
 

@spiker6 
I can do the same for you as well, If you provide a video of this happening, I can check with our team for a solution. I can't promise anything, but I can definitely try!



   
ReplyQuote
 crws
(@crws)
Active Member
Joined: 2 months ago
Posts: 5
 

My older APC 1500w UPS does this when powered by my FB21/GB when grid is down.

So far no audio equipment affected, but the UPS transformer hum is pretty dramatic. 



   
ReplyQuote
(@spiker6)
New Member
Joined: 2 months ago
Posts: 2
 

@eg4eric I've been through this through EG4 email support and I gave up when they asked where the CTs are located (I'm using a Gridboss...)

But anyways I'll post my stuff here for other's sake.

 

L2 measured at Flexboss grid terminals: 1.4V

 

signal 2025 10 20 143009 003

L1 measured at Flexboss grid terminals: 0.8V

signal 2025 10 20 143009 002 2

 

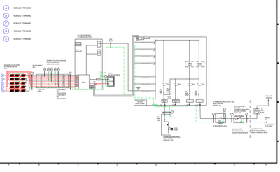
System diagram

image

Inside of Flexboss

image


   
EG4 Eric reacted
ReplyQuote
 tch
(@tch)
New Member
Joined: 3 months ago
Posts: 2
 

@eg4eric I was having the transformer hum and frequent AFCI breakers tripping.  I moved the breaker to the other side of the split phase (don't know which was L1 and which was L2) and that got rid of the problem for that circuit.  I probably need some type of power line analyzer to find out what is going on.  So it looks like the inverter has at least one clean 120v leg!  Seems like this type of thing could and should be included in the QC process.  Surprised that EG4 doesn't seem to think that this is their responsiblity.  Anyway, thanks for the message, Eric.



   
ReplyQuote
Share: